|
YPF系列膜片压力表适用于测量具有一定腐蚀性、非凝固或非结晶的各种流体介质的压力或负压。膜片压力表耐腐蚀性能取决于膜片材料。
|
|
二.结构原理 |
膜片压力表由测量系统(包括法兰接头、波纹膜片)、传动指示机构(包括连杆、齿轮传动机构、指针和度盘)和外壳(包括表壳和罩圈)等组成。膜片压力表外壳为防溅结构,具有较好的密性,故能保护其内部机构免受污秽浸入。
膜片压力表的作用原理是基于弹性元件(测量系统上膜片)变形。膜片压力表在被测介质的压力作用下,迫使膜片产生相应的弹性变形---位移,借助连杆组经传动机构的传动并予放大,由固定于齿轮上的指针逐将被测值在度盘上指示出来。 |
|
三.主要技术指示 |
|
精确度等级:2.5
使用环境温度:-40~+70℃;相对湿度不大于90%
温度影响:使用温度偏离20±5℃时,其温度附加误差不大于0.04%/℃
工作位置:垂直安装。
外壳防护等级:IP64
四.产品型号
|
 |
|
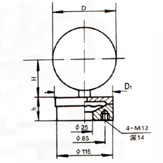
五.标度范围、外形尺寸及重量 |
|
型号 |
标度范围 |
承压部
寸D1 |
表壳
外径D |
重量kg |
|
YPF-100A |
0~0.6、0~0.1、0~0.16、0~0.25、0~0.4
0~0.6、0~0.1、0~1.6、0~2.5、-0.1~0
-0.1~0.06、-0.1~0.15、-0.1~0.3、-0.1~0.5
-0.1~0.9、-0.1~1.5、-0.1~2.4MPa |
φ85 |
φ100 |
1.6 |
YPF-100B
YPF-100B-F |
|
φ115 |
|
YPF-150A |
φ85 |
φ150 |
1.8 |
YPF-150B
YPF -150B-F |
|
φ115 |
YPF-100B
YPF-100B-F |
0~1.6、0~2.5、0~4、0~6、0~10、
0~16、0~25、0~40*
-1.6~0、-2.5~0、-4~0、-6~0、-10~0
-16~0、-25~0、-40~0*
-0.8~0.8、-1.2~1.2、-2~2、-3~3、-5~5、
-8~8、-12~12、-20~20*kPa |
φ160 |
φ100 |
2.9 |
YPF-150B
YPF-150B-F |
φ160 |
φ150 |
3.2 |
|
|
*0~40、-40~0、±20KPa规格承压部尺寸D1为φ85 |
|
六.导压系统及外壳等主要零件的材质 |
|
型号 |
名称 |
导压系统 |
表壳材料 |
|
膜片 |
法兰接头 |
密封垫圈 |
YPF-100A
150A |
膜片压力表 |
Cr15Ni7Mo
(PH15-7Mo)
316H(≤25KPa) |
1Cr18Ni9 |
丁腈橡胶 |
铸铝 |
YPF-100B
150B |
不锈钢膜片压力表 |
聚四氟乙烯 |
1Cr18Ni9 |
YPF-100B-F
150B-F |
法兰不锈钢膜片压力表 |
|
|
|
YPF-100A |
YPF-100B |
YPF-100B |
YPF-150A |
YPF-150B |
YPF-150B-F |
|
D |
φ100 |
φ110 |
φ110 |
φ150 |
φ160 |
φ160 |
|
H |
66 |
66 |
66 |
91 |
91 |
91 |
|
h |
32 |
32 |
36 |
32 |
32 |
36 |
|
|
|
 |
 |
|
|