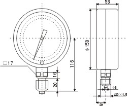
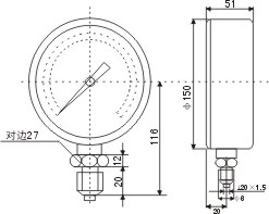
| 型号 | 弹簧管材料 | 测量范围(MPa) | 精确等级 | 结构特点 |
| YB-150A | 锡磷青 铜铬钒钢 | 0~0.1;0~0.16;0~0.25;0~0.4; 0~0.6;0~1;0~1.6; 0~2.5; 0~4;0~6;0~10;0~16; 0~25;0~40;0~60; | 0.4 | 镜面 |
| YB-150B | 0.25 | 镜面调零 |
○使用环境条件:5~40℃,相对湿度不大于80%,且环境震动和压力源的波动对仪表的精确读数无影响。
○温度影响:使用环境温度如偏离20±3℃(A型)或20±2℃(B型)时,则须考虑温度附加误差0.4%/10℃
○重量:1kg(A型) 1.4kg(B型)

咨询:压力表