膜盒压力表-压力仪表系列-华体会体育(中国)HTH·官方网站-精雕细琢 精益求精--传承工匠精神 成就淮海品质

华体会体育(中国)HTH·官方网站

精雕细琢 精益求精--传承工匠精神 成就淮海品质

prevnext

膜盒压力表

  • 24小时客服电话:18015181360
  • 产品详情

  • 华体会体育(中国)HTH·官方网站

一.概述

    膜盒压力表采用膜盒作为测量微小压力的敏感元件。测量对铜合金不起作用、无爆炸危险气体的微压和负压,广泛用于锅炉通风、气体管道、燃烧装置等及其它类似设备上。

二.结构原理

    仪表由测量系统(包括接头、膜盒等)、传动机构、指示装置和外壳组成。
    当被测介质的压力作用于膜盒时,其自由端产生相应弹性变形一位移,经拨杆带动传动机构放大,由指示装置将被测压力在仪表度盘上指示出来。

三.型号命名


  YE-100         YE-150

四.技术参数

    ● 标度范围、精确度等级及重量

型号

标度范围KPa

正压

负压

正负压

精确度等级

重量kg

YE-100
YE-150

01.6
0
2.5
04
0
6
0
10
0
16
0
25
0
40

-1.60
-2.5
0
-4
0
-6
0
-10
0
-16
0
-25
0
-40
0

-0.8+0.8
-1.2
+1.2
-2
+2
-3+3
-5
+5
-8
+8
-12
+12
-20
+20

2.5

0.5

    ● 工作位置、环境:仪表垂直安装,工作环境温度-2555℃,相对湿度不大于80%,并且周围空气中不含有腐蚀仪表的有害气体。
    ● 温度影响:使用温度偏离20±5℃虹,其温度附加误差不大于0.4%/10℃
    ● 导(测)压系统及外壳等主要零件的材质

零件名称

材料牌号

接头

黄铜HPb59-1

膜盒

锡青铜QSn6.5-0.1

齿轮传动机构

HPb59-1

表壳、罩壳

冷轧钢板

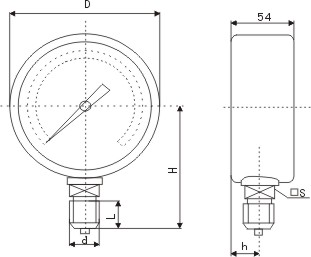
五.外形尺寸

单位:mm

型号

D

H

L

d

h

□S

YE-100

φ100

90

20

M20×1.5

17

□22

YE-150

φ150

118

20

M20×1.5

17

□22

 

 

 

膜盒压力表

咨询:膜盒压力表