配电隔离器-数显仪表系列-华体会体育(中国)HTH·官方网站-精雕细琢 精益求精--传承工匠精神 成就淮海品质

华体会体育(中国)HTH·官方网站

精雕细琢 精益求精--传承工匠精神 成就淮海品质

prevnext

配电隔离器

  • 24小时客服电话:18015181360
  • 产品详情

  • 华体会体育(中国)HTH·官方网站

CML2020D电流信号输入配电隔离器(一入一出)

CML2020D  配电隔离器是向现场的变送器提供隔离的电源电压,并将变送器产生的 4~20mA信号经本隔离器转换成所需的直流信号至控制系统或其它智能仪表。LDG8041电流信号输入配电隔离器需要独立供电,供电电源-输入回路-输出回路之间电磁隔离。
一、CML2020D   配电隔离器特性:   
1、给变送器提供驱动电压16.5~28V;   
2、将变送器4~20mA信号隔离传送,其它所需的直流信号;   
3、模块化表芯设计,无需零点和满度调节;   
4、单通道,一路输入一路输出,输入回路短路保护;   
5、带有工作电源指示灯;
6、即插即拔式接线端子,DIN导轨卡式安装。  
二、CML2020D配电隔离器技术规格:

1、工作电源:电源接线:独立的接线端子13-,14+,可带电拔插        
电源电压:20~35VDC        
电流损耗:24VDC时,<50mA        
电源指示:得电时LED灯亮;绿色

2、输入回路:输入通道:端子1,2,3接线(参见端子接线图)
变送器信号输入:4~20mA
驱动变送器的配电电压:16.5~28V         
输入阻抗:内置输入电阻50Ω

3、输出回路:输出通道:端子10,11,12接线(参见端子接线图)         
输出电流:4~20mA;0~20mA;或指定电流量程         
电流输出时允许负载:0~550Ω(4~20mA,0~20mA 输出时)         
输出电压:1~5V;0~5V;0~10V;或指定电压量程         
电压输出阻抗:内置输出电阻250Ω         
纹波(Vp-p):<10mV

4、性能指标: 标准精度:±0.1%FS         
温度漂移:±0.015%/℃         
响应时间:≤1s(0 → 90%)         
稳定时间:≤3s         
电源电压变动影响:±0.1%(允许电压范围)         
负载电阻变化影响:±0.1%/250Ω         
通道隔离:输入-输出-电源之间隔离         
绝缘电阻:≥100MΩ/500VDC(AC)         
隔离能力:1500VAC/1分钟50Hz         
抗电磁兼容性:符合IEC61000相关抗电磁标准

5、环境参数:
工作温度:0~+60℃         
储运温度:-20~+80℃         
环境湿度:5~+95%RH(无冷凝)

6、结构及外形尺寸:
结构:卡装式模块化表芯ABS材质机壳拔插式端子         
外形尺寸:W16×H116×D110(mm),整机重量:约110g
 
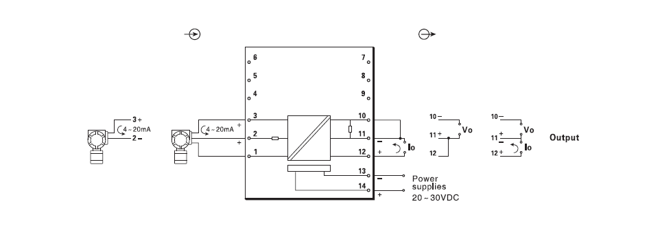
7、端子接线如下图:
 

   

 

 

 

配电隔离器配

咨询:配电隔离器